首页
关于钧澜互联
公司介绍
企业文化
发展历程
组织架构
主要客户
产品中心
光电子器件
线束
天线
连接器系列
端子系列
新闻中心
公司新闻
行业动态
联系我们
防伪查询
Product Center
产品中心
首页
/
产品中心
/
连接器系列
/
板对板
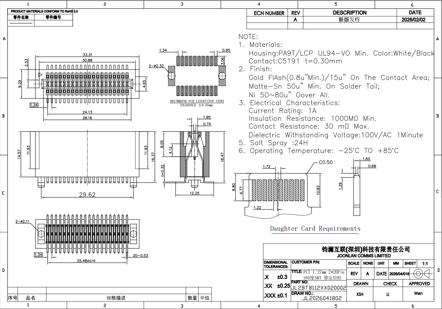
PCI-1.27间距-180度-SMD-金手指插槽
产品详情